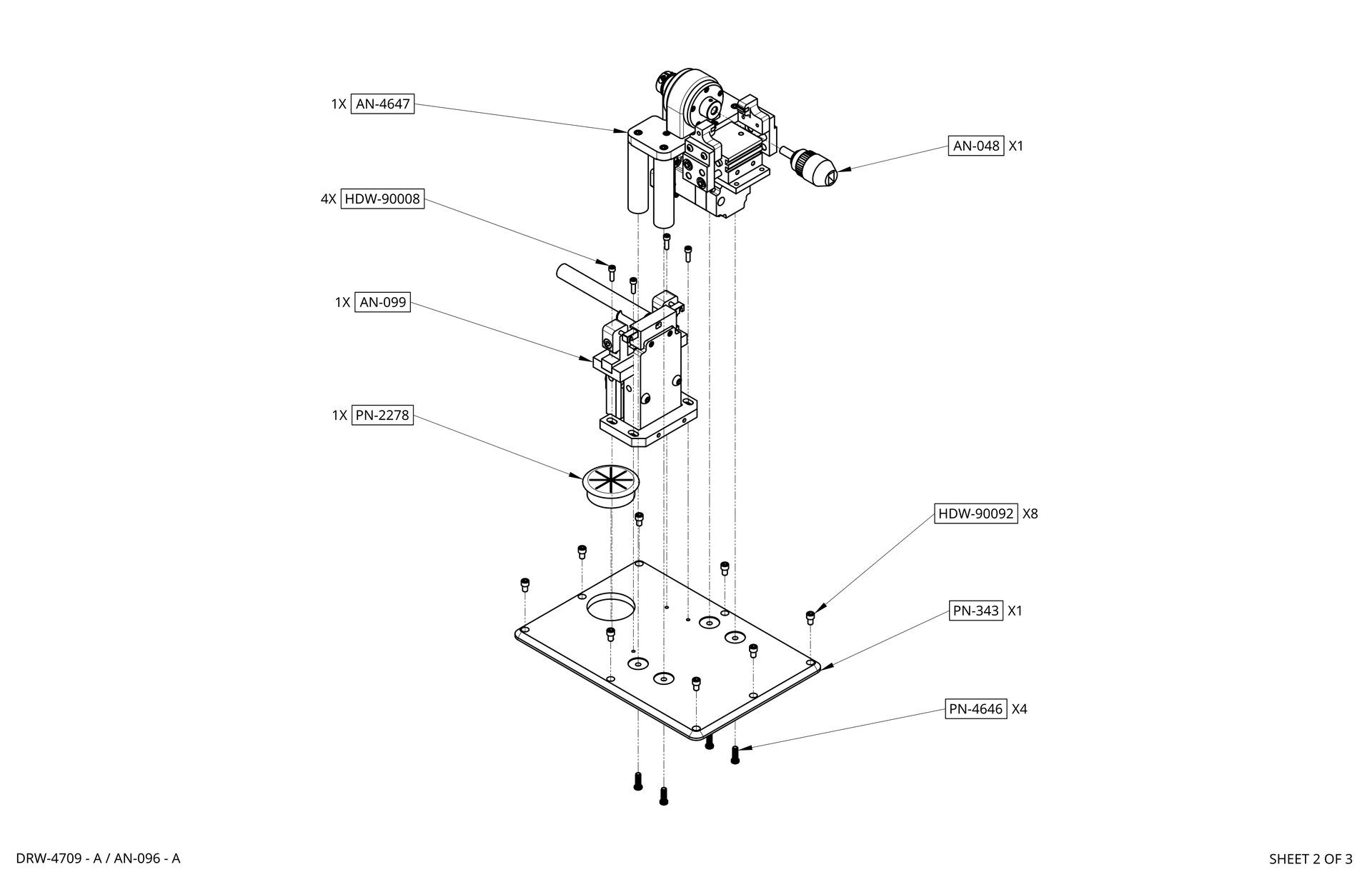
5000 Head Stock

subassemblies: